| Начало раздела Производственные, любительские Радиолюбительские Авиамодельные, ракетомодельные Полезные, занимательные | Хитрости мастеру Электроника Физика Технологии Изобретения | Тайны космоса Тайны Земли Тайны Океана Хитрости Карта раздела | |
| Использование материалов сайта разрешается при условии ссылки (для сайтов - гиперссылки) | |||
Навигация: => | На главную/ Каталог патентов/ В раздел каталога/ Назад / |
|
ИЗОБРЕТЕНИЕ
Патент Российской Федерации RU2277273
![]()
АВТОНОМНАЯ СИСТЕМА ЭНЕРГОПИТАНИЯ
Имя изобретателя: Каричев Зия Рамизович
Имя патентообладателя: Каричев Зия Рамизович
Адрес для переписки: 129626, Москва, Кучин пер., 12, кв.1, З.Р. Каричеву
Дата начала действия патента: 2004.11.25
Изобретение относится к области автономных систем энергопитания (АСЭП) отдельных объектов, удаленных от линии электропередачи. Согласно изобретению АСЭП содержит внешний источник электроэнергии, электрохимический генератор (ЭХГ) на основе ТЭ, аккумуляторную батарею, электролизер и водородный и кислородный баллоны высокого давления, соединенные посредством трубопроводов и клапанов с соответствующими газовыми полостями ТЭ ЭХГ и электролизера, при этом в качестве ТЭ ЭХГ взяты щелочные ТЭ с контуром циркуляции электролита, в качестве электролизера взят щелочной электролизер, при этом ТЭ ЭХГ и электролизер имеют общий контур циркуляции электролита. Контур циркуляции электролита ТЭ ЭХГ снабжен электролитной емкостью, предназначенной для компенсации изменения объема электролита при работе ТЭ в режиме разбавления, циркуляционным насосом, теплообменником и системой клапанов для подключения контура циркуляции электролита к ТЭ ЭХГ либо к электролизеру. В исходном состоянии свободный объем электролитной емкости равен 1,1÷1,2 объема воды, образованной в ТЭ в результате электрохимической реакции при полном потреблении водорода и кислорода, находящихся в баллонах. В качестве внешнего источника электроэнергии взят возобновляемый источник энергии, в качестве которого может быть солнечная батарея или ветряная энергоустановка, либо и та и другая. ТЭ ЭХГ снабжены датчиком температуры электролита, включенным в цепь управления работой циркуляционного насоса. Техническим результатом изобретения является создание надежной в эксплуатации АСЭП.
ОПИСАНИЕ ИЗОБРЕТЕНИЯ
Изобретение относится к области автономных систем энергопитания (АСЭП) отдельных зданий или объектов, удаленных от электрической сети линии электропередачи, а именно к АСЭП, включающим возобновляемые источники энергии в качестве внешнего источника электроэнергии, электрохимический генератор (ЭХГ), аккумулятор, электролизер и баллоны для хранения реагентов (водорода и кислорода).
Известна АСЭП, включающая электрическую сеть линии электропередачи в качестве внешнего источника энергии, ЭХГ на основе топливных элементов (ТЭ) с полимерным электролитом, инвертор для преобразования и передачи электроэнергии от ЭХГ в электрическую сеть, электролизер, конвертор для питания электролизера постоянным током от электрической сети, баллоны для хранения водорода и систему клапанов для подключения баллонов то к ЭХГ, то к электролизеру (см. пат. США №6660417, кл. Н 01 М 8/18, 2003).
Недостатком указанной АСЭП является ее привязанность к электрической сети, а и низкая надежность, связанная с использованием сложной системы обеспечения баланса воды и тепла в ТЭ с полимерным электролитом, а и необходимостью использования в электролизере специально подготовленной воды.
Известна АСЭП для дизель-электрического локомотива, включающая дизель-электрический генератор в качестве внешнего источника энергии, ЭХГ на основе ТЭ, электролизер, баллоны для хранения водорода и кислорода, емкость воды (см. пат. Канады №2371297, кл. B 60 L 7/00, 2002).
Недостатком указанной АСЭП является недостаточный ресурс работы и низкая надежность, связанные с ограниченным запасом дизельного топлива и воды и низкой надежностью дизель-электрического генератора.
Из известных АСЭП наиболее близкой по совокупности существенных признаков и достигаемому техническому результату является АСЭП, содержащая внешний источник электроэнергии, ЭХГ на основе ТЭ с твердым полимерным электролитом, аккумуляторную батарею, электролизер с твердым полимерным электролитом и водородный и кислородный баллоны, соединенные посредством трубопроводов и клапанов с соответствующими газовыми полостями ТЭ ЭХГ и электролизера (см. пат. США №6610193, кл. Н 01 M 6/00, 2003).
Недостатком указанной АСЭП является ограниченная область ее использования, связанная с потребностью во внешнем источнике воды, а и сложность ее конструкции и технологии эксплуатации, связанные с необходимостью очистки воды, потребляемой от внешнего источника воды.
Задачей изобретения является создание надежной в эксплуатации АСЭП, лишенной указанных недостатков.
Сущность изобретения
Указанный технический результат достигается тем, что АСЭП содержит внешний источник электроэнергии, ЭХГ на основе ТЭ, аккумулятор, электролизер и водородный и кислородный баллоны, соединенные посредством трубопроводов и клапанов с соответствующими газовыми полостями ТЭ ЭХГ и электролизера, при этом в качестве ТЭ ЭХГ взяты щелочные ТЭ с контуром циркуляции щелочного электролита, в качестве электролизера взят щелочной электролизер, при этом ТЭ ЭХГ и электролизер имеют общий щелочной контур электролита. Использование щелочных ТЭ ЭХГ и электролизера позволяет существенно упростить схему и технологию эксплуатации АСЭП, поскольку их можно объединить по щелочному контуру электролита с использованием одного циркуляционного насоса, не требуются внешний источник воды и система ее очистки, что расширяет область возможного использования АСЭП.
Целесообразно, чтобы водородный и кислородный баллоны были снабжены датчиками предельно допустимых значений верхнего и нижнего давлений. По нижнему предельно допустимому значению давления происходит отключение ТЭ ЭХГ от нагрузки, электролизер подключается к внешнему источнику электроэнергии для генерации водорода и кислорода, при этом контур циркуляции щелочного электролита отключается от ТЭ ЭХГ и подключается к электролизеру.
Целесообразно, чтобы контур циркуляции щелочного электролита ТЭ ЭХГ был снабжен электролитной емкостью, предназначенной для компенсации изменения объема электролита, возникающего при работе ТЭ в результате его разбавления водой, образующейся в ТЭ в процессе электрохимической реакции, циркуляционным насосом, теплообменником и системой клапанов для подключения контура циркуляции щелочного электролита к ТЭ ЭХГ либо к электролизеру.
Наличие указанных агрегатов позволяет существенно упростить схему и технологию эксплуатации АСЭП и повысить надежность ее эксплуатации, поскольку работа ТЭ ЭХГ в режиме разбавления не требует сложной системы удаления и поддержания баланса воды. Наличие общего контура циркуляции щелочного электролита и системы клапанов позволяет подключать, в зависимости от режима работы, контур циркуляции электролита к ТЭ ЭХГ либо к электролизеру.
Целесообразно, чтобы в исходном состоянии свободный объем электролитной емкости был равен 1,1÷1,2 объема воды, образованной в ТЭ в результате электрохимической реакции при полном потреблении водорода и кислорода, находящихся в баллонах.
Наличие указанного свободного объема в электролитной емкости существенно упрощает схему АСЭП, поскольку без всяких дополнительных устройств (сигнализаторов, исполнительных механизмов и т.п.) позволяет накопить в контуре циркуляции щелочного электролита всю воду, образующуюся в процессе работы ЭХГ до полного потребления водорода и кислорода из баллонов, а затем при необходимости использовать ее в электролизере для генерации водорода и кислорода.
Целесообразно, чтобы в качестве внешнего источника электроэнергии был взят возобновляемый источник энергии: солнечная батарея, ветряная энергоустановка либо и та и другая. Использование возобновляемых источников энергии позволяет применять АСЭП в удаленных районах, где отсутствуют электрическая сеть линии электропередачи и использовать как энергию солнечного излучения, так и энергию ветра. Кроме того, указанные источники энергии являются экологически чистыми и не наносят ущерба окружающей среде.
Целесообразно, чтобы ТЭ ЭХГ были снабжены датчиком температуры электролита, включенным в цепь управления циркуляционным насосом. Наличие датчика температуры обеспечивает требуемый температурный режим, который поддерживается за счет изменения режима работы циркуляционного насоса по сигналу датчика температуры.
Проведенный анализ уровня техники показал, что заявленная совокупность существенных признаков, изложенная в формуле изобретения, неизвестна. Это позволяет сделать вывод о ее соответствии критерию "новизна".
Для проверки соответствия заявленного изобретения критерию "изобретательский уровень" проведен дополнительный поиск известных технических решений с целью выявления признаков, совпадающих с отличительными от прототипа признаками заявленного технического решения. Установлено, что заявленное техническое решение не следует явным образом из известного уровня техники. Следовательно, заявленное изобретение соответствует критерию "изобретательский уровень".
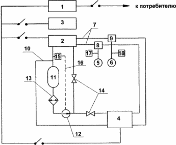
На чертеже представлен один из возможных вариантов выполнения функциональной схемы АСЭП.
![]() | АСЭП включает внешний источник электроэнергии 1, например солнечную батарею или ветряную энергоустановку, ЭХГ 2, аккумуляторную батарею 3, электролизер 4, водородный 5 и кислородный 6 баллоны, трубопроводы 7 и клапаны 8, 9 для соединения с соответствующими газовыми полостями ТЭ ЭХГ и электролизера, датчики верхнего и нижнего предельно допустимых значений давлений водорода и кислорода 17, 18 соответственно, контур циркуляции электролита 10 с емкостью 11, циркуляционным насосом 12, теплообменником 13 и системой клапанов 14 для подключения контура циркуляции электролита к ТЭ ЭХГ 2 либо к электролизеру 4. Для контроля рабочей температуры ТЭ ЭХГ 2 снабжены датчиком температуры 15, включенным в цепь управления 16 насосом 12. Емкость электролита 11 в исходном состоянии имеет свободный объем, равный 1,1-1,2 объема воды, образованной в ТЭ в результате электрохимической реакции при полном потреблении водорода и кислорода, находящихся в баллонах 5, 6. |
Сведения, подтверждающие возможность осуществления изобретения
АСЭП работает следующим образом. Водород и кислород из баллонов 5 и 6 соответственно через клапаны 8, 9 по трубопроводам 7 подается в соответствующие полости ТЭ ЭХГ. ЭХГ генерирует электрический ток, который подается потребителю (не показан). Выделяющееся в ТЭ ЭХГ тепло отводится контуром циркуляции электролита 10 и сбрасывается в окружающую среду в теплообменнике 13. Образующаяся в результате реакции вода накапливается в емкости электролита, вызывая его разбавление и увеличение объема. Свободный объем емкости электролита в исходном состоянии выбирается, исходя из требуемой энергоемкости АСЭП и запаса реагентов в баллонах 5, 6. При расходовании всего запаса реагентов по сигналу датчиков нижнего предельно допустимого значения давления 17, 18 посредством клапанов 14 контур циркуляции электролита отключается от ТЭ ЭХГ и подключается к электролизеру 4, после чего к электролизеру 4 подается электроэнергия от внешнего источника электроэнергии 1. Щелочной электролит подвергается электролизу, образующиеся водород и кислород накапливаются в баллонах 5 и 6 соответственно, при этом клапаны 8, 9 отключают баллоны от ТЭ ЭХГ. При срабатывании датчиков верхнего предельно допустимого значения давления реагентов контур циркуляции электролита 10 отключается от электролизера 4 и подключается к ТЭ ЭХГ. Внешний источник электроэнергии 1 отключается от электролизера 4. Питание потребителей во время переключения составляющих АСЭП производится от аккумуляторной батареи 3.
На основании вышеизложенного можно сделать вывод, что заявленная АСЭП может быть реализована на практике с достижением заявленного технического результата, т.е. она соответствует критерию "промышленная применимость".
ФОРМУЛА ИЗОБРЕТЕНИЯ
1. Автономная система энергопитания, содержащая внешний источник электроэнергии, электрохимический генератор на основе топливных элементов, аккумуляторную батарею, электролизер, водородный и кислородный баллоны, соединенные посредством трубопроводов и клапанов с соответствующими газовыми полостями топливных элементов электрохимического генератора и электролизера, отличающаяся тем, что в качестве топливных элементов электрохимического генератора взяты щелочные топливные элементы с контуром циркуляции электролита, в качестве электролизера взят щелочной электролизер, при этом топливные элементы электрохимического генератора и электролизер имеют общий контур циркуляции электролита.
2. Автономная система энергопитания по п.1, отличающаяся тем, что водородный и кислородный баллоны снабжены датчиками верхнего и нижнего предельно допустимых значений давлений.
3. Автономная система энергопитания по п.1, отличающаяся тем, что контур циркуляции электролита топливных элементов электрохимического генератора снабжен электролитной емкостью, предназначенной для компенсации изменения объема электролита, возникающего при работе топливных элементов в результате его разбавления водой, образующейся в топливных элементах в процессе электрохимической реакции, циркуляционным насосом, теплообменником и системой клапанов для подключения контура циркуляции электролита к топливным элементам электрохимического генератора, либо к электролизеру.
4. Автономная система энергопитания по п.3, отличающаяся тем, что в исходном состоянии свободный объем электролитной емкости равен 1,1÷1,2 объема воды, образованной в топливных элементах в результате электрохимической реакции при полном потреблении водорода и кислорода, находящихся в баллонах.
5. Автономная система энергопитания по п.1, отличающаяся тем, что в качестве внешнего источника электроэнергии взят возобновляемый источник энергии.
6. Автономная система энергопитания по п.4, отличающаяся тем, что в качестве возобновляемого источника электроэнергии взята солнечная батарея.
7. Автономная система энергопитания по п.4, отличающаяся тем, что в качестве возобновляемого источника электроэнергии взята ветряная энергоустановка.
8. Автономная система энергопитания по п.4, отличающаяся тем, что в качестве возобновляемого источника электроэнергии взяты солнечная батарея и ветряная энергоустановка.
9. Автономная система энергопитания по п.1, отличающаяся тем, что топливные элементы электрохимического генератора снабжены датчиком температуры электролита, включенным в цепь управления работой циркуляционного насоса.
Версия для печати
Дата публикации 03.02.2007гг
Created/Updated: 25.05.2018
|

