| Начало раздела Производственные, любительские Радиолюбительские Авиамодельные, ракетомодельные Полезные, занимательные | Хитрости мастеру Электроника Физика Технологии Изобретения | Тайны космоса Тайны Земли Тайны Океана Хитрости Карта раздела | |
| Использование материалов сайта разрешается при условии ссылки (для сайтов - гиперссылки) | |||
Навигация: => | На главную/ Каталог патентов/ В раздел каталога/ Назад / |
|
ИЗОБРЕТЕНИЕ
Патент Российской Федерации RU2127939
![]()
ЭЛЕКТРИЧЕСКИЙ ТОРЦЕВОЙ НАБОРНЫЙ ЭЛЕКТРОГЕНЕРАТОР
Имя изобретателя: Манеев М.Н.; Медведев М.М.
Имя патентообладателя: Предприятие "Технократ"
Адрес для переписки: 123310, Москва, Пятницкое ш., 37-308, Манееву М.Н.
Дата начала действия патента: 1997.08.19
Изобретение относится к области электротехники и может быть использовано в малой и альтернативной электроэнергетике. Предлагаемый электрический торцевой наборный генератор состоит из кожуха, в котором помещены статор и ротор, состоящие из дисков, размещенных на общей оси в чередующемся порядке. Диски содержат некоторое одинаковое четное число катушек, размещенных секториально с магнитными осями, параллельными оси вращения ротора. Катушки намотаны на сердечниках из магнитного материала с высокой индукцией и близкой к прямоугольной петлей гистерезиса и скоммутированы так, что их магнитные полюса в плоскости дисков чередуются. Статорные диски жестко связаны с кожухом, а роторные закреплены на полом валу и вращаются относительно статорных. Обмотки статорных дисков независимы, а роторных - соединены последовательно и выведены в полость вала. При этом, согласно изобретению, торцевые статорные диски снаружи закрыты замыкателями магнитопроводов генератора, выполненными в виде сплошных колец из того же материала, что и сердечники статора и ротора, при этом катушки как статора, так и ротора намотаны так, что их магнитные полюса в плоскости дисков чередуются. Изобретение направлено на увеличение КПД генератора, что является техническим результатом.
ОПИСАНИЕ ИЗОБРЕТЕНИЯ
Изобретение относится к области электротехники и представляет собой конструктивно новый генератор переменного электрического тока.
Известен (патент Великобритании GB 2118376 A) генератор торцевого типа с двумя неподвижными дисками с обмотками, составляющими статор, между которыми расположены вращающиеся диски ротора с постоянными магнитами в его секторах, являющимися индукторами. Этому генератору свойственны существенные недостатки: низкая магнитная индукция от постоянных магнитов; значительное дополнительное магнитное сопротивление за счет потерь в материале магнитов; и, наконец, невозможность регулирования выходного напряжения с изменением оборотов ротора.
Предлагаемый генератор лишен этих недостатков.
![]() | ![]() |
![]() | ![]() |
![]() | ![]() |
Схема (в разрезе ) конструкции генератора представлена на фиг. 1. Генератор состоит из роторных 1 и статорных 2 дисков, размещенных в чередующемся порядке. Внутренние 2 и торцевые статорные диски 3 конструктивно отличаются. Генератор заключен в кожух 5, к которому жестко прикреплены статорные диски. Роторные диски 1 жестко закреплены на полом валу 4 и вращаются вместе с ним. Обмотки 8 статорных и роторных дисков (и показаны в разрезе). На валу 4 и закреплена одна половина 6 вращающегося трансформатора с вторичной обмоткой 10. Другая неподвижная его половина 7 жестко закреплена на кожухе генератора. Внутренняя полость вала 4 предназначена для размещения электрических элементов питания ротора. Как статорные, так и роторные диски представляют собой некоторую конструкцию из непроводящего и немагнитного материала, в которую встроены размещенные секториально электрические катушки 8, намотанные на специальной формы сердечниках 13, вид которых показан на фиг. 2. Магнитопроводы внутренних дисков, как вращающихся, так и неподвижных, состоят из сердечника 13 и полюсных пластин 14, изготовленных из материала с высокой магнитной индукцией, близкой к прямоугольной петлей гистерезиса. Магнитопроводы внутреннего диска в сборе (без вмещающей, несущей конструкции) показаны на фиг. 2 под номером 12. Пара из статорного и роторного дисков составляет генераторную секцию, вид которой представлен (и без вмещающей конструкции, но с участком кожуха 5) на фиг. 3 и 4, причем на фиг. 3 показана внутренняя, а на фиг. 4 - торцевая секции. Торцевая секция отличается от внутренней тем, что наружные полюсные пластины статорного диска заменены на сплошное кольцо, выполненное из того же материала, что и полюсные пластины и сердечники. Они являются замыкателями магнитопроводов генератора. Катушки как на статорных, так и на роторных дисках намотаны так, что их магнитные оси параллельны оси вращения ротора. Обмотки всех катушек на каждом диске соединены последовательно и электрически скоммутированы так, что когда по ним идет ток, на плоскостях дисков их магнитные полюса чередуются. Поэтому число катушек на каждом диске обязательно одинаково и четно. Электрические выводы статорных дисков независимы, а роторных - соединены последовательно и так, что магнитная полярность всех катушек, находящихся на одной линии, параллельной оси вращения, на всех дисках - одинакова. Выводы роторных дисков выведены в полость вала. Вращающийся трансформатор в сборе представляет собой две независимые обмотки 9 и 10, размещенные каждая в своей половине 7 и 6 соответственно (фиг. 1), броневого сердечника, выполненного из того же материала, что и сердечники. На фиг. 5 под номерами 6 и 7 показан профиль половины сердечника вращающегося трансформатора (общий вид и разрез). Выводы вторичной обмотки трансформатора выведены в полость вала.
Генератор работает обычным образом: когда в катушках ротора течет ток возбуждения и ротор вращается, магнитное поле катушек ротора наводит ЭДС электромагнитной индукции в катушках статора и ток нагрузки, когда катушки статора подключены к нагрузке.
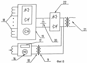
Описываемый генератор предназначен для использования в малой и альтернативной энергетике, характерной малыми и переменными скоростями вращения и величинами механического момента механического привода. Поэтому его электрическая схема управления, представленная на фиг. 6, содержит ряд специальных электрических устройств для обеспечения работы генератора в этих условиях. Это выпрямитель-коммутатор 19 обмоток статорных дисков, буферный аккумулятор 20, инвертор 22 и трансформатор 21 согласования с электрической сетью. Питание возбуждения - ротора осуществляется переменным током, поступающим на первичную обмотку 9 вращающегося трансформатора. Ток с вторичной обмотки этого трансформатора выпрямляется выпрямителем 16 и стабилизируется по величине стабилизатором тока 17. Таким образом в катушках ротора течет постоянный ток как по величине, так и по направлению. Этим достигается парирование вторичной (паразитной) ЭДС, наводимой током нагрузки, текущим в катушках статора. В конечном счете это приводит к увеличению КПД генератора.
ФОРМУЛА ИЗОБРЕТЕНИЯ
- Электрический торцевой наборный генератор, состоящий из статора и ротора, выполненных в виде дисков, размещенных в кожухе по общей оси в чередующемся порядке, причем статорные диски жестко связаны с кожухом, а роторные закреплены на валу, отличающийся тем, что диски статора и ротора выполнены из немагнитного материала с высоким электрическим сопротивлением и содержат некоторое одинаковое четное число катушек с магнитными осями, параллельными оси вращения ротора, намотанных на сердечники из магнитного материала с высокой индукцией, близкой к прямоугольной петле гистерезиса, и закрытых со стороны полюсов пластинами из того же материала, что и сердечники, а торцевые статорные диски снаружи закрыты замыкателями магнитопроводов генератора, выполненными в виде сплошных колец из того же материала, что и сердечники катушек статора и ротора, при этом катушки как статора, так и ротора намотаны так, что их магнитные полюса в плоскости дисков чередуются.
- Генератор по п.1, отличающийся тем, что вал ротора выполнен полым, а выводы обмоток роторных дисков выведены в полость вала.
- Генератор по п.2, отличающийся тем, что он содержит трансформатор, намотанный в броневом сердечнике, одна половина которого содержит первичную обмотку и жестко скреплена с кожухом, а другая укреплена на валу и содержит вторичную обмотку, выводы которой выведены в полость вала.
- Генератор по п.3, отличающийся тем, что питание обмоток роторных дисков обеспечивается постоянным током, стабилизированным по величине, поступающим в виде переменного с вторичной обмотки трансформатора с последующими выпрямлением и стабилизацией.
- Генератор по п.1, отличающийся тем, что содержит электронный регулятор выходного напряжения при изменении оборотов ротора, состоящий из выпрямителя-коммутатора обмоток статорных дисков, буферного аккумулятора, инвертора и согласующего трансформатора.
Версия для печати
Дата публикации 10.12.2006гг
Created/Updated: 25.05.2018
|






